06B-3 08 PILOT-BORE SPROCKET
06B-3 08 Pilot-Bore Sprocket to suit 06B-3 chain.
Also known as PT05008, 3 TR 08
- UnitsPer unit
- 1+£6.47 (£7.76 inc VAT)
- Bulk Order PricesENQUIRE

Specifications for 06B-3 08 Pilot-Bore Sprocket | |
Reference | 06B-3 08 |
Brand | BR |
Material | Steel |
Number of Teeth | 8 |
Pitch (P) Inch | .3/8" (9.525mm) |
Pitch (P) mm | 9.525mm |
Type | Triplex |
Weight (KG) | 0.06 |
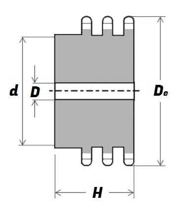
Schematic for 06B-3 08 Pilot-Bore Sprocket | |
d | 15mm |
D | 8mm |
De | 28mm |
H | 32mm |
You may also be interested in...