081 20 PILOT-BORE SPROCKET
081 20 Pilot-Bore Sprocket to suit 081 chain.
Also known as PS06020, 1/2 x 1/8 z 20
- UnitsPer unit
- 1+£9.32 (£11.18 inc VAT)
- Bulk Order PricesENQUIRE

Specifications for 081 20 Pilot-Bore Sprocket | |
Reference | 081 20 |
Brand | BR |
Material | Steel |
Number of Teeth | 20 |
Pitch (P) Inch | .1/2" (12.7mm) |
Pitch (P) mm | 12.7mm |
Type | Simplex |
Weight (KG) | 0.36 |
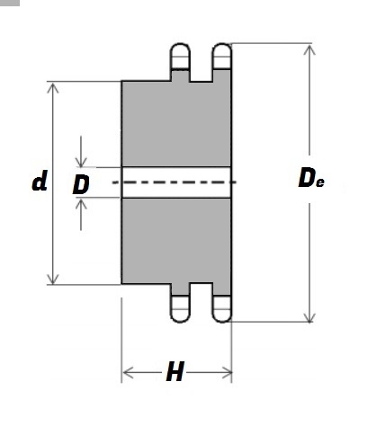
Schematic for 081 20 Pilot-Bore Sprocket | |
d | 50mm |
D | 10mm |
De | 86.9mm |
H | 18mm |
You may also be interested in...