10B-3 13 PILOT-BORE SPROCKET
10B-3 13 Pilot-Bore Sprocket to suit 10B-3 chain.
Also known as PT10013, 5 TR 13
- UnitsPer unit
- 1+£16.32 (£19.58 inc VAT)
- Bulk Order PricesENQUIRE

Specifications for 10B-3 13 Pilot-Bore Sprocket | |
Reference | 10B-3 13 |
Brand | BR |
Material | Steel |
Number of Teeth | 13 |
Pitch (P) Inch | .5/8" (15.875mm) |
Pitch (P) mm | 15.875mm |
Type | Triplex |
Weight (KG) | 0.98 |
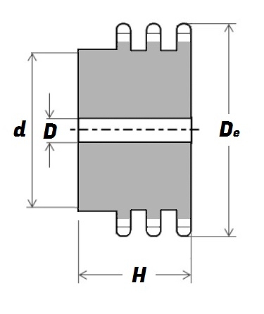
Schematic for 10B-3 13 Pilot-Bore Sprocket | |
d | 49mm |
D | 16mm |
De | 73mm |
H | 55mm |
You may also be interested in...