12B-3 57 S PILOT-BORE SPROCKET
12B-3 57 S Pilot-Bore Sprocket to suit 12B-3 chain.
Also known as PT11057, 6 TR 57
- UnitsPer unit
- 1+£277.58 (£333.10 inc VAT)
- Bulk Order PricesENQUIRE

Specifications for 12B-3 57 S Pilot-Bore Sprocket | |
Reference | 12B-3 57 S |
Brand | BR |
Material | Steel |
Number of Teeth | 57 |
Pitch (P) Inch | .3/4" (19.05mm) |
Pitch (P) mm | 19.05mm |
Type | Triplex |
Weight (KG) | 37.5 |
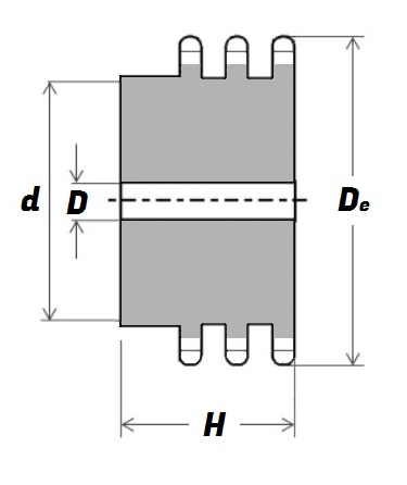
Schematic for 12B-3 57 S Pilot-Bore Sprocket | |
d | 140mm |
D | 30mm |
De | 355.4mm |
H | 75mm |
You may also be interested in...