20B-2 22 PILOT-BORE SPROCKET
20B-2 22 Pilot-Bore Sprocket to suit 20B-2 chain.
Also known as PD13022, 10 DR 22
- UnitsPer unit
- 1+£165.63 (£198.76 inc VAT)
- Bulk Order PricesENQUIRE
Specifications for 20B-2 22 Pilot-Bore Sprocket | |
| Reference | 20B-2 22 |
| Brand | BR |
| Material | Steel |
| Number of Teeth | 22 |
| Pitch (P) Inch | 1.1/4" (31.75mm) |
| Pitch (P) mm | 31.75mm |
| Type | Duplex |
| Weight (KG) | 15.92 |
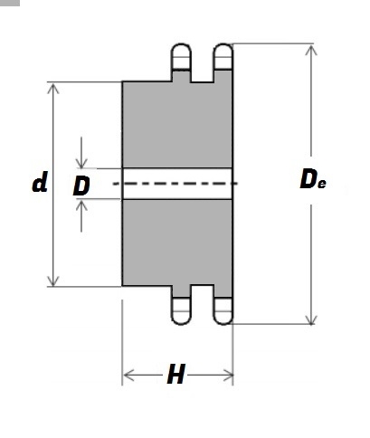
Schematic for 20B-2 22 Pilot-Bore Sprocket | |
| d | 140mm |
| D | 25mm |
| De | 238.3mm |
| H | 80mm |
You may also be interested in...







