400L - TURNTABLE BEARING ( TRAILER RING )
Z Series Trailer Ring with 400mm outer. Suitable for farm vehicle; speed < 30 km/h, allowable axial load of 7.5 kN.
Also known as 16L/400, 310.14.0300.000
Our premium range includes FAG, INA, KOYO, NADELLA, NSK, NTN, REXNORD, RHP, SKF, TIMKEN and TORRINGTON brands. (In the unlikely event we do not have one of these brands in stock we will supply an alternative brand of premium quality).
- UnitsPer unit
- 1+£405.00 (£486.00 inc VAT)
- Bulk Order PricesENQUIRE
Specifications for 400L - Turntable Bearing ( Trailer Ring ) | |
| Reference | 400L |
| Brand | Premium |
| Weight (KG) | 11 |
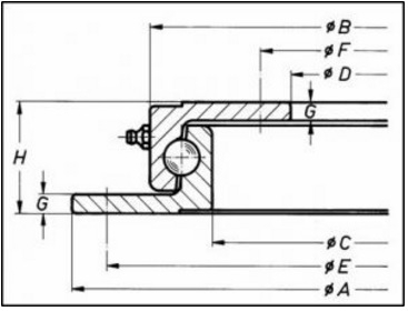
Schematic for 400L - Turntable Bearing ( Trailer Ring ) | |
| A | 400mm |
| B | 342mm |
| C | 292mm |
| D | 230mm |
| E | 375mm |
| F | 260mm |
| G | 8mm |
| H | 45mm |
| KG | 11 |
You may also be interested in...







