650L - TURNTABLE BEARING ( TRAILER RING )
Z Series Trailer Ring with 650mm outer. Suitable for farm vehicle; speed < 30 km/h, allowable axial load of 15 kN.
Also known as 16L/650, 310.14.0500.000
Our premium range includes FAG, INA, KOYO, NADELLA, NSK, NTN, REXNORD, RHP, SKF, TIMKEN and TORRINGTON brands. (In the unlikely event we do not have one of these brands in stock we will supply an alternative brand of premium quality).
- UnitsPer unit
- 1+£502.20 (£602.64 inc VAT)
- Bulk Order PricesENQUIRE
Specifications for 650L - Turntable Bearing ( Trailer Ring ) | |
| Reference | 650L |
| Brand | Premium |
| Weight (KG) | 20 |
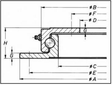
Schematic for 650L - Turntable Bearing ( Trailer Ring ) | |
| A | 650mm |
| B | 592mm |
| C | 542mm |
| D | 480mm |
| E | 625mm |
| F | 510mm |
| G | 8mm |
| H | 45mm |
| KG | 20 |
You may also be interested in...







