850N - TURNTABLE BEARING ( TRAILER RING )
Z Series Trailer Ring with 850mm outer. Suitable for heavy farm vehicle or light truck trailer; speed < 30 km/h, allowable axial load of 35 kN.
Also known as Z 850.16, 16/850, 320.16.0700.000, U01Z085, 20121
Our premium range includes FAG, INA, KOYO, NADELLA, NSK, NTN, REXNORD, RHP, SKF, TIMKEN and TORRINGTON brands. (In the unlikely event we do not have one of these brands in stock we will supply an alternative brand of premium quality).
- UnitsPer unit
- 1+£591.30 (£709.56 inc VAT)
- Bulk Order PricesENQUIRE
Specifications for 850N - Turntable Bearing ( Trailer Ring ) | |
| Reference | 850N |
| Brand | Premium |
| Weight (KG) | 35 |
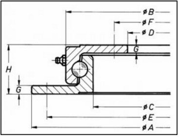
Schematic for 850N - Turntable Bearing ( Trailer Ring ) | |
| A | 850mm |
| B | 787mm |
| C | 734mm |
| D | 665mm |
| E | 825mm |
| F | 690mm |
| G | 8mm |
| H | 52mm |
| KG | 35 |
You may also be interested in...







