ASA 40-2 57 S PILOT-BORE SPROCKET
ASA 40-2 57 S Pilot-Bore Sprocket to suit ASA 40-2 chain.
Also known as PD09A57, 4A DR57
- UnitsPer unit
- 1+£80.18 (£96.22 inc VAT)
- Bulk Order PricesENQUIRE

Specifications for ASA 40-2 57 S Pilot-Bore Sprocket | |
Reference | ASA 40-2 57 S |
Brand | BR |
Material | Steel |
Number of Teeth | 57 |
Pitch (P) Inch | .1/2" (12.7mm) |
Pitch (P) mm | 12.7mm |
Type | Duplex |
Weight (KG) | 7.41 |
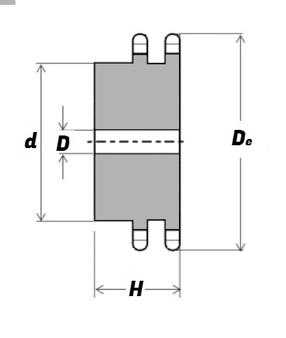
Schematic for ASA 40-2 57 S Pilot-Bore Sprocket | |
d | 110mm |
D | 20mm |
De | 236.4mm |
H | 40mm |
You may also be interested in...