NP 1.1/4 DEC, 'PREMIUM' PILLOW BLOCK HOUSING UNIT WITH A 1.1/4 INCH BORE.
Cast Iron Two Bolt Pillow Block Housing Unit complete with full width bearing insert and eccentric collar lock from our Premium Range. Also known as NAP 207 20
Our premium range includes FAG, INA, KOYO, NADELLA, NSK, NTN, REXNORD, RHP, SKF, TIMKEN and TORRINGTON brands. (In the unlikely event we do not have one of these brands in stock we will supply an alternative brand of premium quality).
- UnitsPer unit
- 1 - 4£103.58 (£124.30 inc VAT)
- 5 +£98.40 (£118.08 inc VAT)
- Bulk Order PricesENQUIRE
Specifications for NP 1.1/4 DEC, 'Premium' Pillow Block Housing Unit with a 1.1/4 inch bore. | |
| Reference | NP 1.1/4 DEC |
| Brand | Premium |
| Inside Diameter | 1.1/4" |
| Type | Eccentric Collar Lock |
| Weight (KG) | 1.7 |
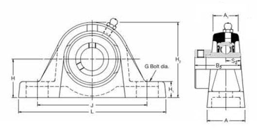
Schematic for NP 1.1/4 DEC, 'Premium' Pillow Block Housing Unit with a 1.1/4 inch bore. | |
| A | 44.5mm |
| H | 47.6mm |
| H2 | 136.5mm |
| J | 121.5 - 136.5mm |
| KG | 1.7 |
| L | 166mm |
You may also be interested in...







