NP 1.3/16, 'PREMIUM' PILLOW BLOCK HOUSING UNIT WITH A 1.3/16 INCH BORE.
Cast Iron Two Bolt Pillow Block Housing Unit complete with full width bearing insert from our Premium Range. Also known as UCP 206 19
Our premium range includes FAG, INA, KOYO, NADELLA, NSK, NTN, REXNORD, RHP, SKF, TIMKEN and TORRINGTON brands. (In the unlikely event we do not have one of these brands in stock we will supply an alternative brand of premium quality).
- UnitsPer unit
- 1 - 4£75.39 (£90.47 inc VAT)
- 5 +£71.61 (£85.93 inc VAT)
- Bulk Order PricesENQUIRE
Specifications for NP 1.3/16, 'Premium' Pillow Block Housing Unit with a 1.3/16 inch bore. | |
| Reference | NP 1.3/16 |
| Brand | Premium |
| Inside Diameter | 1.3/16" |
| Weight (KG) | 1.3 |
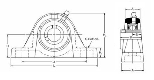
Schematic for NP 1.3/16, 'Premium' Pillow Block Housing Unit with a 1.3/16 inch bore. | |
| A | 41.5mm |
| H | 42.9mm |
| H2 | 129.5mm |
| J | 108.5 - 129.5mm |
| KG | 1.3 |
| L | 160.5mm |
You may also be interested in...
TSL 30 ( UCPK 206 R3 ) - Triple Sealed Pillow Block Housing Unit with a 30mm bore - TR Brand
CODE: TSL 30
£43.66 ex VAT






