SBF 204 - BEARING UNIT
Cast Iron Four Bolt Square Flanged Unit complete with flat back bearing insert from our Premium Range. Also known as SBF 204.
Also known as SF 20 A, SBF204, SF20A
Our premium range includes FAG, INA, KOYO, NADELLA, NSK, NTN, REXNORD, RHP, SKF, TIMKEN and TORRINGTON brands. (In the unlikely event we do not have one of these brands in stock we will supply an alternative brand of premium quality).
- UnitsPer unit
- 1 - 4£48.97 (£58.76 inc VAT)
- 5 +£46.52 (£55.82 inc VAT)
- Bulk Order PricesENQUIRE
Specifications for SBF 204 - Bearing Unit | |
| Reference | SF 20 A |
| Brand | Premium |
| Inside Diameter | 20mm |
| Weight (KG) | 0.7 |
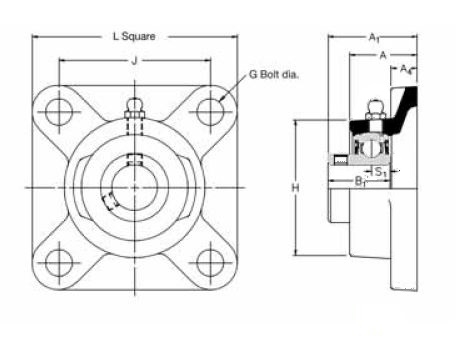
Schematic for SBF 204 - Bearing Unit | |
| A | 27.8mm |
| G | 10mm |
| J | 63.5mm |
| KG | 0.7 |
| L | 85.7mm |
You may also be interested in...
NP 50 DEC ( NAP 210 ) - Pillow Block Housing Unit with a 50mm bore - TR Brand
CODE: NP 50 DEC
£76.49 ex VAT






