SNV 085, SPLIT PILLOW BLOCK HOUSING - PREMIUM RANGE
SNV series split plummer block suitable for fitting with spherical roller bearings, self aligning bearings with tapered bore as well as cylindrical roller bearings and deep groove ball, from our Premium range.
Our premium range includes FAG, INA, KOYO, NADELLA, NSK, NTN, REXNORD, RHP, SKF, TIMKEN and TORRINGTON brands. (In the unlikely event we do not have one of these brands in stock we will supply an alternative brand of premium quality).
- UnitsPer unit
- 1+£111.09 (£133.31 inc VAT)
- Bulk Order PricesENQUIRE
Specifications for SNV 085, Split Pillow Block Housing - Premium Range | |
| Reference | SNV 085 |
| Brand | Premium |
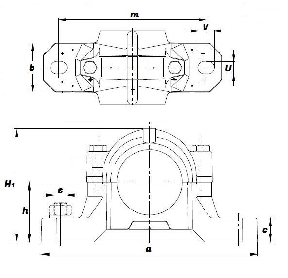
Schematic for SNV 085, Split Pillow Block Housing - Premium Range | |
| a | 205mm |
| b | 60mm |
| c | 25mm |
| h | 60mm |
| H1 | 114mm |
| m | 170mm |
| s | M12 .1/2 |
| U | 15mm |
| v | 20mm |
You may also be interested in...
SNL 519 616, Split Pillow Block Housing for Adaptor Sleeve Mounting - Premium Range
CODE: SNL 519 616
£368.17 ex VAT






