U01L040 - TURNTABLE BEARING ( TRAILER RING )
U Series Trailer Ring with a 400mm outer. Suitable for heavy farm vehicle or light truck trailer, irrigation systems or airport luggage trolleys; speed 40km/h (subject to load conditions). Allowable axial load is 7.5 kN.
Also known as U.400.12, 20102
Our premium range includes FAG, INA, KOYO, NADELLA, NSK, NTN, REXNORD, RHP, SKF, TIMKEN and TORRINGTON brands. (In the unlikely event we do not have one of these brands in stock we will supply an alternative brand of premium quality).
- UnitsPer unit
- 1+£234.90 (£281.88 inc VAT)
- Bulk Order PricesENQUIRE
Specifications for U01L040 - Turntable Bearing ( Trailer Ring ) | |
| Reference | U01L040 |
| Brand | Premium |
| Weight (KG) | 8 |
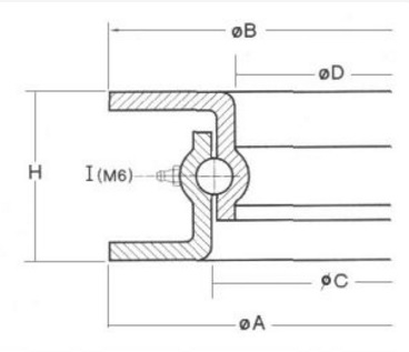
Schematic for U01L040 - Turntable Bearing ( Trailer Ring ) | |
| A | 400mm |
| B | 400mm |
| C | 320mm |
| D | 300mm |
| H | 55mm |
| KG | 8 |
You may also be interested in...







