08B-3 45 S PILOT-BORE SPROCKET
08B-3 45 S Pilot-Bore Sprocket to suit 08B-3 chain.
Also known as PT09045, 4 TR 45
- UnitsPer unit
- 1+£70.22 (£84.26 inc VAT)
- Bulk Order PricesENQUIRE

Specifications for 08B-3 45 S Pilot-Bore Sprocket | |
Reference | 08B-3 45 S |
Brand | BR |
Material | Steel |
Number of Teeth | 45 |
Pitch (P) Inch | .1/2" (12.7mm) |
Pitch (P) mm | 12.7mm |
Type | Triplex |
Weight (KG) | 8.44 |
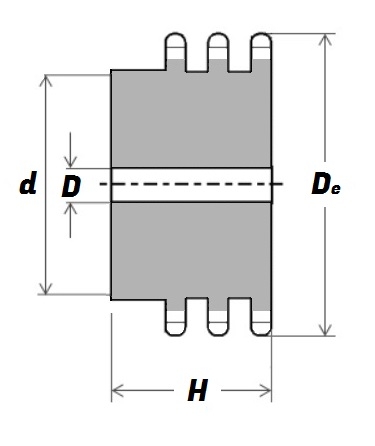
Schematic for 08B-3 45 S Pilot-Bore Sprocket | |
d | 120mm |
D | 25mm |
De | 188mm |
H | 68mm |
You may also be interested in...