400N - TURNTABLE BEARING ( TRAILER RING )
Z Series Trailer Ring with 400mm outer. Suitable for heavy farm vehicle or light truck trailer; speed < 30 km/h, allowable axial load of 14 kN.
Also known as Z 400.16, 20119
Our premium range includes FAG, INA, KOYO, NADELLA, NSK, NTN, REXNORD, RHP, SKF, TIMKEN and TORRINGTON brands. (In the unlikely event we do not have one of these brands in stock we will supply an alternative brand of premium quality).
Please use this form for enquiries and pricing.
Specifications for 400N - Turntable Bearing ( Trailer Ring ) | |
| Reference | 400N |
| Brand | Premium |
| Weight (KG) | 15 |
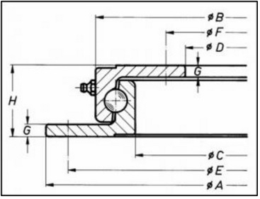
Schematic for 400N - Turntable Bearing ( Trailer Ring ) | |
| A | 400mm |
| B | 338mm |
| C | 281mm |
| D | 215mm |
| E | 375mm |
| F | 260mm |
| G | 8mm |
| H | 52mm |
| KG | 15 |
You may also be interested in...







