U01N095 - TURNTABLE BEARING ( TRAILER RING )
U Series Trailer Ring with a 950mm outer. Suitable for heavy farm vehicle or light truck trailer, irrigation systems or airport luggage trolleys; speed 40km/h (subject to load conditions). Allowable axial load is 35 kN.
Also known as U.950.14, 20111
Our premium range includes FAG, INA, KOYO, NADELLA, NSK, NTN, REXNORD, RHP, SKF, TIMKEN and TORRINGTON brands. (In the unlikely event we do not have one of these brands in stock we will supply an alternative brand of premium quality).
- UnitsPer unit
- 1+£417.96 (£501.55 inc VAT)
- Bulk Order PricesENQUIRE
Specifications for U01N095 - Turntable Bearing ( Trailer Ring ) | |
| Reference | U01N095 |
| Brand | Premium |
| Weight (KG) | 31 |
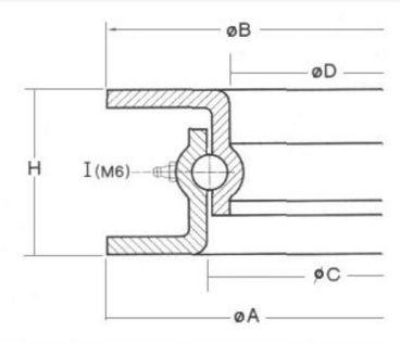
Schematic for U01N095 - Turntable Bearing ( Trailer Ring ) | |
| A | 950mm |
| B | 950mm |
| C | 870mm |
| D | 843mm |
| H | 65mm |
| KG | 31 |
You may also be interested in...







