SAF 210-31 - BEARING UNIT
Cast Iron Four Bolt Square Flanged Unit complete with flat back bearing insert and eccentric collar lock from our Premium Range. Also known as SAF 210 31.
Also known as SAF210-31, SF 1.15/16 EC, SAF21031, SF1.15/16EC
Our premium range includes FAG, INA, KOYO, NADELLA, NSK, NTN, REXNORD, RHP, SKF, TIMKEN and TORRINGTON brands. (In the unlikely event we do not have one of these brands in stock we will supply an alternative brand of premium quality).
- UnitsPer unit
- 1 - 4£143.99 (£172.79 inc VAT)
- 5 +£136.78 (£164.14 inc VAT)
- Bulk Order PricesENQUIRE
Specifications for SAF 210-31 - Bearing Unit | |
| Reference | SF 1.15/16 EC |
| Brand | Premium |
| Inside Diameter | 1.15/16" |
| Type | Eccentric Collar Lock |
| Weight (KG) | 2.8 |
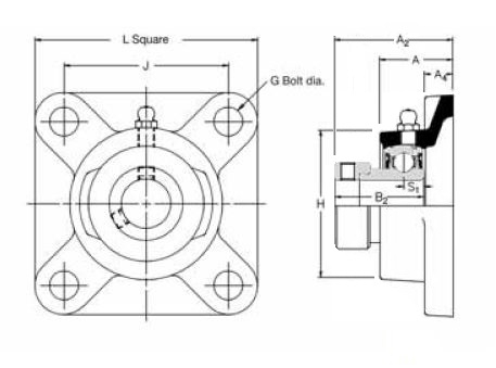
Schematic for SAF 210-31 - Bearing Unit | |
| A | 39.7mm |
| G | 16mm |
| J | 111mm |
| KG | 2.8 |
| L | 142.9mm |
You may also be interested in...
SL 25 ( UCPK 205 ) - Pillow Block Housing Unit with a 25mm bore - TR Brand
CODE: SL 25
£30.08 ex VAT






