SL 1.3/4 DEC, 'PREMIUM' PILLOW BLOCK HOUSING UNIT WITH A 1.3/4 INCH BORE.
Cast Iron Two Bolt Pillow Block Housing Unit complete with full width bearing insert and eccentric collar lock from our Premium Range.
Our premium range includes FAG, INA, KOYO, NADELLA, NSK, NTN, REXNORD, RHP, SKF, TIMKEN and TORRINGTON brands. (In the unlikely event we do not have one of these brands in stock we will supply an alternative brand of premium quality).
- UnitsPer unit
- 1 - 4£142.50 (£171.00 inc VAT)
- 5 +£135.38 (£162.46 inc VAT)
- Bulk Order PricesENQUIRE
Specifications for SL 1.3/4 DEC, 'Premium' Pillow Block Housing Unit with a 1.3/4 inch bore. | |
| Reference | SL 1.3/4 DEC |
| Brand | Premium |
| Inside Diameter | 1.3/4" |
| Type | Eccentric Collar Lock |
| Weight (KG) | 3 |
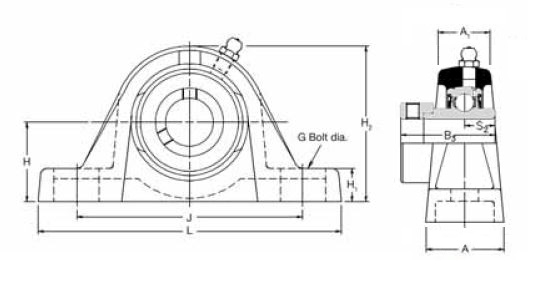
Schematic for SL 1.3/4 DEC, 'Premium' Pillow Block Housing Unit with a 1.3/4 inch bore. | |
| A | 54mm |
| H | 52.37mm |
| H2 | 106.4mm |
| J | 141.5 - 161.5mm |
| KG | 3 |
| L | 197.5mm |
You may also be interested in...
SL 2.7/16 ( UCPK 212 39 ) - Pillow Block Housing Unit with a 2.7/16 inch bore - TR Brand
CODE: SL 2.7/16
£109.69 ex VAT






