UCHA 204 12
HANGER UNIT WITH A .3/4 INCH BORE - TR BRAND
Cast Iron Oval Flange Unit complete with full width bearing insert from our TR Range.
Also known as UCHA20412
Our budget range is manufactured to International standards and represents great value for money.
- UnitsPer unit
- 1 - 4£35.35 (£42.42 inc VAT)
- 5 - 9£33.58 (£40.30 inc VAT)
- 10 +£31.82 (£38.18 inc VAT)
- Bulk Order PricesENQUIRE
Specifications for UCHA 204 12 | |
| Reference | UCHA 204 12 |
| Brand | Budget |
| Inside Diameter | .3/4" |
| Weight (KG) | 0.69 |
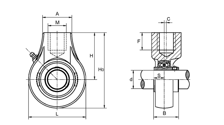
Schematic for UCHA 204 12 | |
| A | 40mm |
| B | 31mm |
| C | 0mm |
| F | 19mm |
| H | 64mm |
| H0 | 96mm |
| KG | 0.69 |
| L | 64mm |
| M | G3/4 |
| S | 12.7mm |
You may also be interested in...
SL 17 ( UCPK 203 ) - Pillow Block Housing Unit with a 17mm bore - TR Brand
CODE: SL 17
£25.78 ex VAT






